• banner

N10 Mini DC Motor for Electronic Lock & 3D Face Massager

Short Description:

N10 mini DC motor delivers reliable performance for electronic door locks and 3D facial massagers. This compact vibration motor ensures precise movements with SGS/REACH/ISO certifications. Ideal for security devices and beauty tools requiring stable operation. Supports customized voltage and shaft specifications for OEM integration. Features durable construction and quiet performance. Perfect for applications demanding compact power solutions in limited spaces.

 


  • Product Name: N10 Mini DC Motor
  • Motor Type: Brushed DC Vibration Motor
  • Operating Voltage: Customizable DC Voltage (e.g., 3-12V)
  • Application: Electronic Door Lock, 3D Facial Massager
  • Features: Compact Size, Low Noise, Precise Vibration
  • Certifications: SGS, REACH, ISO
  • Performance: Stable Operation, Long Service Life
  • Product Detail

    Video

    Product Tags

    Customized Service

    To provide customers with quality products and satisfactory service

    MOQ 500pcs

    Fast Delivery

    Customized Sample

    Excellent Quality

    Competitive Price

    Modern Testing Equipment

    N1OVAV Micro DC motor 

     The FF-N10VAV micro DC motor delivers precise vibration control for electronic door locks and 3D facial massagers. Featuring compact design, customizable voltage (3-12V), and SGS/REACH/ISO certifications. Ensures quiet, durable operation for OEM security and beauty applications.

    Gear Motor for Electronic Locks

    Professional research

    Long Lifetime

    DC mini vibration motor

    Product Information

    Model Voltage No Load At Maximum Efficiency Stall
    Operating Tange Nominal Speed (r/min) Current (A) Speed (r/min) Current (A) Torque Output (W) Torque Current (A)
    PC-FF-N10VAV-10180 2.0-4.0 3.0V 16100 0.068 12240 0.22 0.24 2.4 0.3 0.98 10.0 0.71
    PC-FF-N10VAV-08260 3.0-5.0

    4.5V

    16700 0.047 12690 0.15 0.23 2.3 0.3 0.94 9.6 0.47
    PC-FF-N10VAV-08300

    4.0-7.0

    6.0V 19300 0.04 15247 0.145 0.26 2.65 0.4 1.24 12.6 0.54

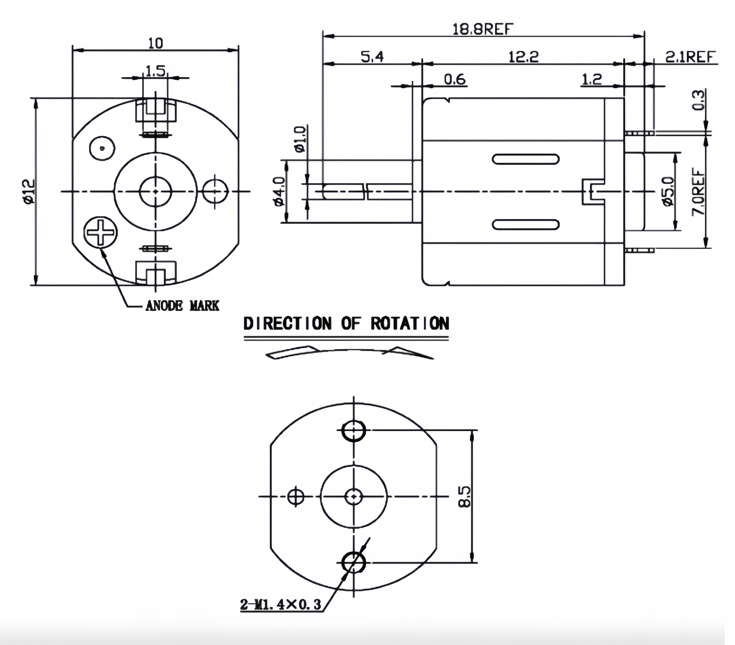
    Specification Engineering Drawing

    N10 mini motor
    3D Facial Slimming Device Massager DC Mini Vibration Motor

    Application

    Micro dc motor is suitable for a variety of application scenarios

    Typical applications:medical treatment, beauty care, massage, adult products, medical equipment;

    Tea set application using a food-grade micro DC water pump for automatic water dispensing.

    Tea table

    Small vacuum packing appliance using a miniature DC pump for air extraction.

    Vacuum packing machine

    Bottled water dispenser application requires a safe, food-grade mini electric water pump.

    Water dispenser

    Automatic foam hand sanitizer dispenser powered by a micro electric pump.

    Foam hand sanitizer

    Electric wine decanter utilizing a small DC pump for fluid circulation.

    Electric decanter

    Dishwasher appliance utilizing a reliable DC water pump for water circulation.

    dishwasher

    Images for micro gear pump---100% live-action shooting, Quality Guarantee

    We supply more than just product, we engineer solutions optimised to suit your application requirements.

    Compare, select, buy your pump


  • Previous:
  • Next:

  • Write your message here and send it to us